English
首页
关于我们
产品介绍
应用与实例
公司动态
下载中心
访客留言
联系我们
快速夹钳系列
气&油压缸系列
零点定位系统
气动系列
数控车胀紧夹头
液压动力单元(液压站)
螺母系列
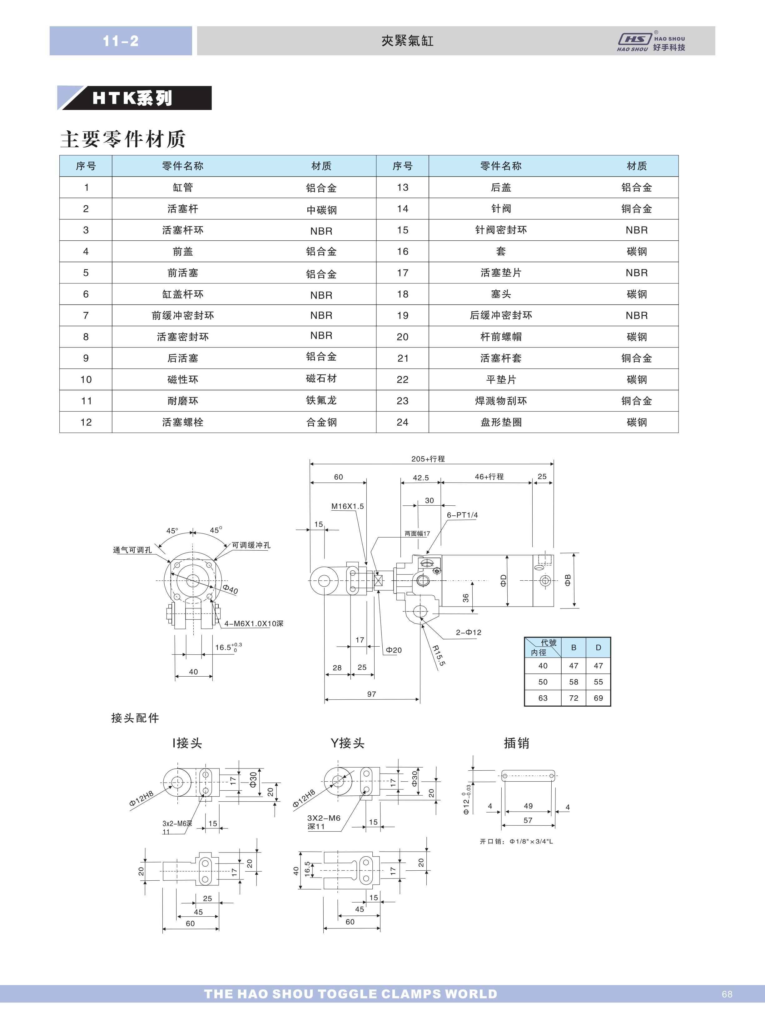
HTK-40-100(M)
文件下载:
PDF
DWG
STEP
垂直式夹钳
水平式夹钳
推拉式夹钳
门闩式夹钳
挤压式夹钳
复合组立式夹钳
F型夹钳
C型钳
气动式夹钳
夹紧气缸
夹钳展示架
F型夹钳零件
双压头配件
大力钳系列
关于我们
MORE
东莞市好手机电科技有限公司是一家集研发设计、生产制造和销售为一体的公司,十多年来一直致力于快速夹钳和转角缸系列产品的研发营销。经过不断的积累创新,现已发展成一家技术力量雄厚、结构完善的新型企业。东莞好手科技秉承
导航
网站首页
关于我们
产品介绍
应用与实例
公司动态
下载中心
访客留言
联系我们
官方微信平台
联系我们
MORE
台湾好手科技股份有限公司
东莞市好手机电科技有限公司
中国广东省东莞市寮步镇缪边鸿利横三巷2号
电话:+86-769-83528312 83528313
传真:+86-769-83528311
客诉电话:13827235136
邮箱:
haoshou@twhaoshou.com
网址:
http://www.twhaoshou.com
权所有
©
东莞市好手机电科技有限公司
企业邮箱
粤ICP备19062251号
3527224920
电话咨询
0769-83528312
13827235136